-
Koszyk jest pusty
-
x
Do bezpłatnej dostawy brakuje
-,--
Darmowa dostawa!
Suma Netto
0,00 zł
Suma Brutto
0,00 zł
Cena uwzględnia rabaty
Darmowa dostawa od 1000 PLN (RABAT DLA ZALOGOWANYCH UŻYTKOWNIKÓW)
0
twój koszyk
0,00 zł
-
Koszyk jest pusty
-
x
Do bezpłatnej dostawy brakuje
-,--
Darmowa dostawa!
Suma Netto
0,00 zł
Suma Brutto
0,00 zł
Cena uwzględnia rabaty
-
8-kanałowe zabezpieczenie IP serii EXTREME z ochroną PoE EWIMAR PTF-58R-EXT/PoE
Symbol:
16355
1422.72
1422.72
1422.72
Program lojalnościowy dostępny jest tylko dla zalogowanych klientów.
| Opinie | |
| Wysyłka w ciągu | 48 godzin |
| Cena przesyłki | 0 |
| Dostępność |
|
Zamówienie telefoniczne: 531184774
| Zostaw telefon |
8-kanałowe zabezpieczenie IP serii EXTREME z ochroną PoE EWIMAR PTF-58R-EXT/PoE
Model: PTF-58R-EXT/PoE
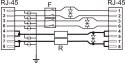
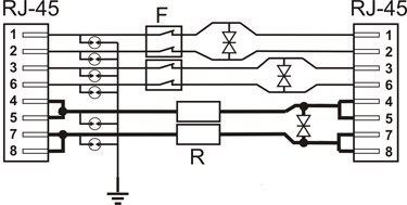
Specyfikacja techniczna
- Ilość kanałów: 8S
- Stopnie ochrony: 3 (ochronnik gazowy, bezpiecznik MOSFET, mostek ochronny)
- Pojemność linia-linia: 6-8pF @ 0V, 1Mhz
- Pojemność linia-ziemia: < 1pF
- Poziom ochrony linia-linia: 6V-1kV, 20V @ 100A , 8/20uS
- Poziom ochrony linia-ziemia: 90V-4kV, 2~4kA, 8/20uS
- Maksmalne napięcie Uc: 6,8V
- Maksymalna moc 8/20uS (linia-linia): 2kW
- Maksymalne napięcie linia-ziemia: 90VDC
- Rezystancja szeregowa: 6 Ohm
- Szybkość odsprzęgania: 1uS
- Poziom izolacji przy zadziałaniu: 650V
- Ilość kanałów: 8
- Stopnie ochrony: 2 (ochronnik gazowy, transil)
- Poziom ochrony linia-linia dla PoE 10/1000uS: 600W / 100A, 10/1000uS
- Maksmalne napięcie Uc dla PoE: 58V
- Poziom ochrony linia-ziemia: 90V-4kV, 2~4kA, 8/20uS
- Maksymalne napięcie linia-ziemia: 90VDC
- Standard pracy PoE: zgodny z IEEE 802.3af typu B
- Złącze wejściowe: RJ-45
- Złącze wyjściowe: RJ-45
- Wyjście uziemiające: Tak
- Mocowanie: Szafa Rack 19" 1U, ściana
- Dodatkowe opcje: Wymienne moduły różnych typów, pokrywa ochronna
- Wymiary: 480 x 41 x 130 (mm)
- Temperatura pracy: -30~+60°C
Informacje dotyczące bezpieczeństwa
Dystrybutor:
Eltrox sp. z o.o
Adres e-mail: sklep@eltrox.pl
Adres: ul. Warszawska 74,
42-202 Częstochowa
Telefon 34 387 29 92
Nie ma jeszcze komentarzy ani ocen dla tego produktu.